Produits
Domicile Produits

Pourquoi les ingénieurs préfèrent-ils la série JST BVR pour les sièges de vannes à bille ?

Pourquoi les ingénieurs préfèrent-ils la série JST BVR pour les sièges de vannes à bille ?

  • December 30. 2025

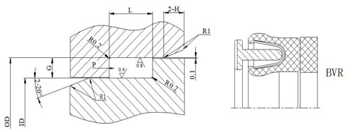
En ce qui concerne le joint radial unidirectionnel pour le siège de vanne à bille, nos clients préfèrent toujours choisir le style JST « BVR », mais pourquoi ?

La solution réside dans sa géométrie d'étanchéité optimisée et sa conception à activation par pression. La série BVR est composée d'un ressort incliné et d'une enveloppe en polymère, principalement utilisée comme joint de tige Sous pression, la lèvre d'étanchéité est activée et pressée fermement contre le siège de soupape, assurant une excellente étanchéité même à des niveaux de pression élevés.

Grâce à une sélection appropriée des matériaux, tels que les composés de PTFE ou les polymères chargés, le joint fonctionne de manière fiable sous haute pression, en cas de fluctuations de température et dans des milieux agressifs couramment rencontrés dans pétrole et gaz , applications chimiques et industrielles.

Enfin, les clients apprécient la facilité d'installation et la constance des performances. Le modèle « BVR » de JST est conçu pour un ajustement précis, minimisant les erreurs d'installation et garantissant une étanchéité constante, quelles que soient la taille des vannes et les conditions de fonctionnement.

Vous trouverez ci-dessous les recommandations techniques concernant les dimensions des rainures.

Conditions de travail

ID (mm)

G(mm)

Diamètre extérieur (mm)

L +0,2 /(mm)

Taille minimale H (mm)

10 000 psi

-60~180℃

7~15

2.4

9,5

9,5

3.4

15~30

3.1

10

10

5.0

30~90

4.7

12,5

12,5

6

90~600

6.1

16

16

7

600~1200

9,5

28

28

9,5

© droits dauteur: 2026 Guangzhou JST Seals Technology Co., Ltd. Tous les droits sont réservés.

粤ICP备12032262号 Réseau IPv6 pris en charge

Réseau IPv6 pris en charge

Haut

laisser un message

laisser un message

    Si Vous êtes intéressé par nos produits et vous souhaitez connaître plus de détails, s'il vous plaît laissez un message ici, nous vous répondrons dès que nous Can.

  • #
  • #
  • #